Электропривод ПК
Основные особенности электропривода ПК:
- неполноповоротный,
- асинхронный с прерывистым режимом работы – предназначен для однооборотной арматуры изготовлен в общепромышленном или взрывобезопасном исполнении.
Основное отличие от других видов таких электроприводов – ограничение угла поворота:
- минимальный 40º;
- максимальный 270º,
- диапазон может выставляется в зависимости от требований потребителя.
Привод ПК используется в сборке со следующими типами неполноповоротной запорной арматуры:
- шаровыми кранами;
- дисковыми затворами;
- задвижками;
- заслонки, – в том числе предназначенный для эксплуатации в агрессивных средах.
Возможные варианты изготовления и размещения:
- 1. По климатическим поясам:
a. северный (УХЛ1,2);
b. умеренный (У1,2);
c. тропический (Т1,2). - 2. Назначение:
a. общепромышленное;
b. взрывозащищенное (электропривод ВПК).
Устанавливаются в вертикальном, горизонтальном или наклонном положении, без ограничений, в открытом или закрытом пространстве. Присоединяется с помощью фланцевого соединения разъемным или сварным способом.
Питание: привод от трехфазной сети переменного тока 50-60 Гц, напряжением 220-660 В. Расчётный срок службы для всех модификаций приводов 30 лет; ресурс 10 000 циклов; 3,5 млн пусков.
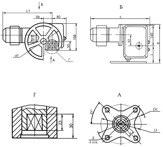
Схема и габаритные размеры электропривода типа ПК

Типы и тех. характеристики электроприводов ПК
| Тип электропривода | Обозначение | Диапазон крутящего момента в Н-м на выходном валу | Частота вращения выходного вала, об/мин | Число оборотов выходного вала электропривода, для закрывания (открывания) арматуры | Мощность эл/дв привода, кВт | Масса, кг | |
|---|---|---|---|---|---|---|---|
| min | max | ||||||
| Электропривод ПК-50-С(Ш)-3 | ПК-50-С(Ш)-3 | 50 | 5 | - | - | 0.09 | 11.5 |
| Электропривод ПК-50-С(Ш)-11 | ПК-50-С(Ш)-11 | 50 | 1.4 | - | - | 0.06 | 9.5 |
| Электропривод ПК-150-С(Ш}-3 | ПК-150-С(Ш}-3 | 150 | 5 | - | - | 0.18 | 11.5 |
| Электропривод ПК-150-С(Ш)-22 | ПК-150-С(Ш)-22 | 150 | 0.7 | - | - | 0.09 | 9.5 |
| Электропривод ПК-250-С-3 | ПК-250-С-3 | 250 | 5 | - | - | 0.25 | 15 |
| Электропривод ПК-250-С(Ш)-40 | ПК-250-С(Ш)-40 | 250 | 0.5 | - | - | 0.09 | 13.5 |
| Электропривод ПК-630-С(Ш)-25 | ПК-630-С(Ш)-25 | 630 | 0.6 | - | - | 0.12 | 45 |
| Электропривод ПК-1000-С(Ш)-25 | ПК-1000-С(Ш)-25 | 1000 | 0.6 | - | - | 0.18 | 47 |
Для того чтобы сделать заказ на Электропривод ПК в городе Ростове обратитесь к нашим менеджерам. Мы гарантируем своевременное производство и поставку электроприводов в Ростове из Тулы.
